Chevrolet Spark manuals

Mazda CX-5 Service & Repair Manual: Engine Control System

Outline

*1 Measures the intake air amount directly using the MAF sensor.

*2 Measures the intake air pressure introduced into the cylinder using the MAP sensor and calculates the intake air amount indirectly.

Structural View

Input device



*1 U.S.A. and CANADA

Output device


*1 Fuel pump relay, starter relay, electric variable valve timing relay, fuel injector relay, main relay, A/C relay, cooling fan relay No.1, cooling fan relay No.2, cooling fan relay No.3


System Diagram

Input device


Output device


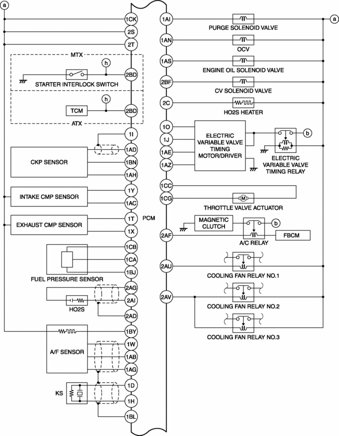
System Wiring Diagram




Block Diagram


*1 TCM (ATX), DSC HU/CM, instrument cluster, start stop unit

*2 Only used for OBD.

Relation Chart

?: Applicable


Item
















Input device

APP sensor No.1, No.2

?

?

?

?

?

?

?

TP sensor No.1, No.2

?

?

?

MAF sensor

?

?

?

?

?

?

?

?

?

?

IAT sensor No.1

?

?

?

?

?

?

?

IAT sensor No.2

?

?

?

?

MAP sensor

?

?

?

?

?

?

CKP sensor

?

?

?

?

?

?

?

?

?

?

?

?

?

?

Intake CMP sensor

?

?

?

?

Exhaust CMP sensor

?

?

?

?

?

ECT sensor No.1

?

?

?

?

?

?

?

?

?

?

?

?

?

Fuel pressure sensor

?

?

?

?

BARO sensor

?

?

?

?

?

?

Ion sensor No.1—No.4

?

?

KS

?

A/F sensor

?

?

HO2S

?

Refrigerant pressure sensor

?

?

IG1 relay

?

?

?

?

?

?

?

?

Brake switch (No.1 signal)

?

Brake switch (No.2 signal)

?

Transaxle range sensor (ATX)

?

?

?

Neutral switch (MTX)

?

?

?

?

CPP switch (MTX)

?

?

?

?

Starter interlock switch (MTX)

?

Electric variable valve timing motor/driver

?

Battery

?

?

?

?

?

?

Generator (Stator coil)

?

CAN*

?

?

?

?

?

?

ECT sensor No.2

Only used for OBD.

Fuel tank pressure sensor

Only used for OBD.

Output device

Main relay

?

Throttle valve actuator

?

Electric variable valve timing motor/driver

?

?

Electric variable valve timing relay

?

OCV

?

Fuel injector No.1—No.4

?

Fuel injector relay

?

Fuel pump control module

?

Fuel pump relay

?

Spill valve control solenoid valve (High pressure fuel pump)

?

Ignition coil No.1—No.4

?

Purge solenoid valve

?

A/F sensor heater

Electronic Control System Outline [Fw6 A EL, Fw6 Ax EL]
Outline In the electronic control system, the TCM calculates the control content based on signals from each type of sensor and switch to operate output parts such as each solenoid. In con ...

Evaporative Emission (Evap) Control System
Purpose, Outline Prevents release of evaporative gas into the atmosphere. The intake manifold vacuum introduces evaporative gas to the intake manifold via the charcoal canister and t ...

Other materials:

Quick Release Connector (Emission System) Removal/Installation
Quick Release Connector Type and Position CAUTION: Verify the type and location, and install/remove properly. U.S.A. and CANADA Except U.S.A. and CANADA Type A Removal CAUTION: Be careful not to damage the evaporative pipe when unlocking the retainer. NOTE: ...

Air Bag Module And Pre Tensioner Seat Belt Disposal Procedures [Standard Deployment Control System]
WARNING: A live (undeployed) air bag module or pre-tensioner seat belt may accidentally operate (deploy) when it is disposed of and cause serious injury. Always refer to the “AIR BAG MODULE AND PRE-TENSIONER SEAT BELT DEPLOYMENT PROCEDURES” and dispose of air bag modules and pre ...

Engine Coolant Level Inspection
WARNING: Never remove the cooling system cap or loosen the radiator drain plug while the engine is running, or when the engine and radiator are hot. Scalding engine coolant and steam may shoot out and cause serious injury. It may also damage the engine and cooling system. Tu ...

© 2016-2025 Copyright www.mcx5.org