Purpose
The refrigerant pressure sensor detects the refrigerant pressure in the refrigerant cycle.
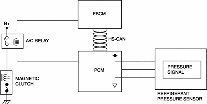
Function
The refrigerant pressure sensor converts the detected refrigerant pressure to an electric signal and sends it to the PCM.

Construction
The refrigerant pressure sensor is installed on the cooler pipe.

A capacitance type refrigerant pressure sensor, which converts refrigerant pressure into a linear electric signal, has been adopted.
Consists of a pressure detecting part and signal processing part.
The pressure detecting part is a variable capacity condenser, which changes capacitance according to the pressure.
The signal processing part detects the capacitance of pressure detecting part, converts it to voltage, then outputs it to the climate control unit.

Operation
Capacitance type
There is a clearance between the movable ceramic diaphragm and the ceramic base, and each side has an electrode.
When pressure is applied from the ceramic diaphragm side, the ceramic diaphragm deforms, and the clearance between the electrodes changes. As a result, capacitance is changed and pressure is detected.

Fail-safe
Function not equipped.
Refrigerant Pressure Sensor Removal/Installation [Manual Air Conditioner]
Refrigerant Pressure Sensor [Manual Air Conditioner]Bsm Indicator Light Flashes While Not Under Bsm Indicator Light Flashing Conditions
(No Combination Switch Operation (Turn Signal Switch)) [Blind Spot Monitoring (Bsm)]
Description
BSM indicator light flashes while not under BSM indicator light-flashing
conditions (no combination switch operation (turn signal switch)
The BSM indicator light flashes despite not satisfying the BSM indicator
light flashing ...
Switch Panel Removal/Installation
1. Disconnect the negative battery cable..
2. Remove the car-navigation unit. (with car-navigation system).
3. Insert your hand from the lower side of the lower panel (without car-navigation
system) or the area where the car-navigation unit was installed (with car-navigation
system), press t ...
Side Turn Light Inspection
1. Disconnect the negative battery cable..
2. Remove the following parts:
a. Outer mirror glass.
b. Upper outer mirror garnish.
c. Side turn light.
3. Apply battery voltage to side turn light terminal A, and connect terminal
B to ground.
4. Verify that the LED illuminates.
...