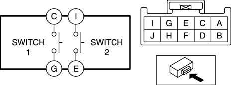
1. Remove the push button start..
2. Verify that the continuity between the push button start terminals is as indicated in the table.


If the continuity can be verified as indicated in the table, go to the next step.
If not as indicated in the table, replace the push button start..
3. Apply battery positive voltage and connect the ground to the push button start terminals and verify that the LED illuminates as indicated in the table.


If the LED does not illuminate as indicated in the table, replace the push button start..
Pre Delivery Inspection
Push Button Start Removal/InstallationPassenger Sensing System [Two Step Deployment Control System]
Purpose
The passenger sensing system detects whether or not there is an occupant
on the passenger seat to control the operation (deployment) of the passenger-side
air bag system corresponding to the detected condition.
Function
Measures the total seated weight on the passen ...
Pressure Sensor Removal/Installation [Two Step Deployment Control System]
WARNING:
Handling the pressure sensor improperly can accidentally operate (deploy)
the air bag module, which may seriously injure you. Read the air bag system
service warnings and cautions before handling the pressure sensor..
1. Switch the ignition to off.
2. Disconnect the ne ...
Sas Control Module Configuration (Using Read/Write Function) [Standard Deployment
Control System]
NOTE:
When performing configuration, it is necessary to read the vehicle specification
information from the SAS control module before replacing it. Connect the M-MDS
to the vehicle and perform vehicle identification before removing the SAS control
module. The vehicle specification i ...