Purpose
Remote control of door glass open/close and power outer mirror adjustment are possible with occupant seated in the cabin.
Function
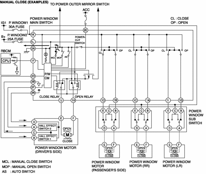
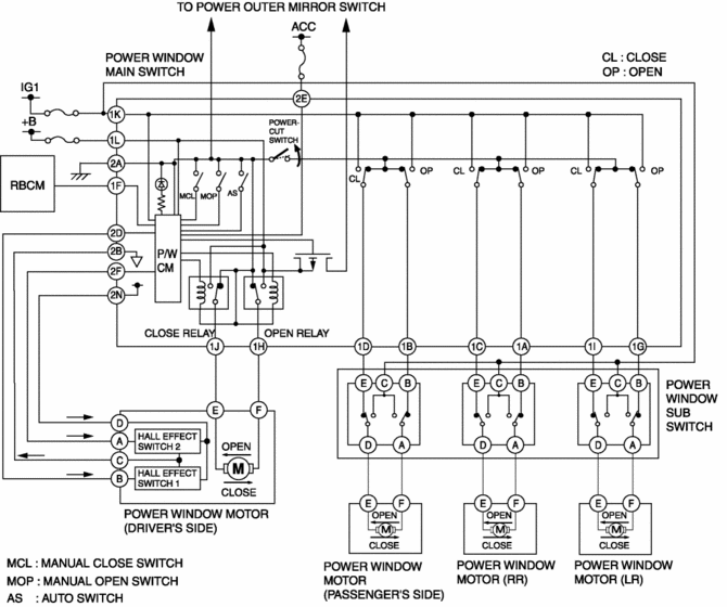
Power window main switch
Manual
When the power window main switch is operated for manual open/close operation, it sends a manual open/close signal to the P/W CM (power window control module).
Auto
When the power window main switch is operated for auto open/close operation, it sends an auto open/close signal to the P/W CM.
Power cut
When the power-cut switch is pressed, it disables the operation of the power window subswitches for the front and rear passenger seats.
Power outer mirror switch
Up-down/left-right adjustment
The power outer mirror switch switches the contact point according to the switch operation. As a result, the circuit to the up-down/left-right adjustment motor is switched.
Left/right selection
The power outer mirror switch is used to select the side on which adjustment of the power outer mirror glass is desired.
Construction
The power window main switch consists of the following parts:
Driver's side switch
Passenger's side switch
Rear side switch (LR)
Rear side switch (RR)
Power-cut switch
Power outer mirror switch
Up/down/left/right adjustment
Left/right selection
The power window main switch has a built-in P/W CM (power window control module), and controls the auto reverse pinch protection, IG OFF timer, and IG OFF timer cancel functions.

Operation
Power window main switch
1. Contact points for door glass opening/closing can be changed by operating the power window main switch. The P/W CM monitors the operation conditions of the driver's side switch and power window motor.

Power-cut switch
1. The power window main switch turns off when the power-cut switch is operated for lock operation.

Power outer mirror switch
1. Up/down/left/right contact points for the power outer mirror can be switched by operating the power outer mirror switch.

Fail-safe
Function not equipped
Glass/Windows/Mirrors
Power Window Main Switch InspectionClock Spring Removal/Installation [Standard Deployment Control System]
CAUTION:
If the disc on the combination switch is deformed or has foreign material
adhering to it, performance of the steering angle sensor may be reduced, causing
abnormal operation. When handling the clock spring, be careful not to deform
the disc and make sure there is no foreign ...
Heated Oxygen Sensor (HO2 S) Removal/Installation
WARNING:
A hot engine and exhaust system can cause severe burns. Turn off the engine
and wait until they are cool before removing the exhaust system.
CAUTION:
Do not allow flammable objects such as the taping for bundling wiring harness
to come into contact with the exhau ...
Passenger Compartment Temperature Sensor [Full Auto Air Conditioner]
Purpose
The passenger compartment temperature sensor detects the cabin temperature.
Function
The passenger compartment temperature sensor converts the detected temperature
to an electric signal.
Construction
A thermistor-type passenger compartment temperature sens ...