Outline
By pressing the push button start, switching of the power supply is performed.
Function
The start stop unit switches the power supply according to the vehicle conditions such as the selector lever (ATX)/shift lever (MTX) position and the pedal depression/release when the push button start is pressed.
Push button start indicator light
Illuminates the push button start indicator light to notify the driver of the power supply status.
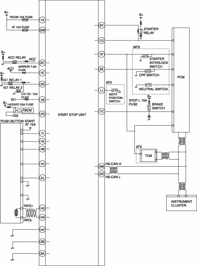
System wiring diagram

Structural view

Operation
Switches between ignition switch ON (engine on)/ON (engine off)/ACC/ OFF (LOCK).
1. When the push button start is pressed, a push button start switch signal is input to the start stop unit.
2. The power supply switches according to the vehicle conditions such as the selector lever (ATX)/shift lever (MTX) position and the pedal depression/release.
NOTE:
Refer to the Push Button Start System Engine Start Permit Function regarding the engine starting conditions.

Automatic ignition switch off
If the ignition has been switched ON (engine off) or switched to ACC for 60 min or more, the start stop unit automatically switches the ignition off (LOCK).
Engine Emergency Stop
If an ignition switch ON signal is input for 3 s or more (ignition switch held pressed), or a push button start ON signal is input 3 times within 1.5 s, the start stop unit switches the ignition to ACC or off (LOCK).
Push button start indicator light
Illuminates if the conditions necessary for engine-start are met.
Flashes when the steering lock cannot be released.
Illuminates when the steering lock has been released or there is a malfunction in the system.
Flashes when a malfunction is detected.

Fail-safe
Function not equipped.
IgnitionShift Pressure Control (Direct Electric Shift Control) [Fw6 A EL, Fw6 Ax EL]
Outline
The TCM drives shift solenoids No.1, 2, 3, 4, the pressure control solenoid,
and the on/off solenoid based on inputs signals from each switch and sensor,
and performs direct electronic control of the clutch engagement pressure. As
a result, precise hydraulic pressure control ...
Turbine/Input Shaft Speed Sensor, Output Shaft Speed Sensor [Fw6 A EL, Fw6 Ax
EL]
Purpose/Function
The turbine/input shaft speed sensor detects the rotation speed of the input
shaft (low clutch drum).
The output shaft speed sensor detects the rotation speed of the output shaft
(primary gear).
The turbine/input shaft speed sensor and output shaft speed ...
Owner Maintenance Precautions
The owner or a qualified service technician should make these vehicle inspections
at the indicated intervals to ensure safe and dependable operation.
Bring any problem to the attention of an Authorized Mazda Dealer or qualified
service technician as soon as possible.
When Refueling
• Brake ...