Outline
The power seat system drives the electric motor, operates the front seat safely, and changes the driving posture to suit the occupant by operating the power seat switch.
8 way power seats or 6 way power seats have been adopted on the driver's seat.
Function
The 8 way power seats are equipped with the following functions:
Slide mechanism
Recliner mechanism
Lift mechanism
Front tilt mechanism
Lumbar support mechanism
The 6 way power seats are equipped with the following functions:
Slide mechanism
Recliner mechanism
Lift mechanism
Slide mechanism
The sliding function adjusts the front and back positions of the front seat.

Recliner mechanism
The recliner function adjusts the angle of the front seat back.

Front tilt mechanism
The front tilt function adjusts the height of the front part of the front seat cushion.

Lift mechanism
The lift function adjusts the height of the front seat.

Lumbar support mechanism
The lumbar support function adjusts the bulge amount of the abdominal area of the front seat back.

Structural View

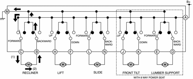
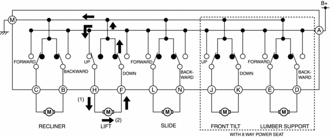
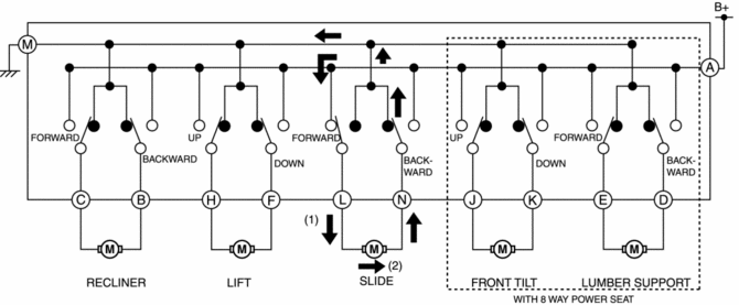
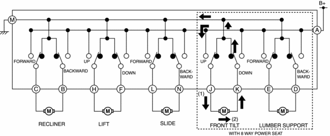
System Diagram

Operation
Recliner operation (example: forward recline operation)
1. When the recliner switch is operated (1) forward, current from the battery flows (2) to the recliner motor.
2. When current flows to the recliner motor for forward motion, the motor drives to tilt the front seat back forward.

Lift operation (example: lift up operation)
1. When the lift switch is operated (1) in the lift-up direction, current from the battery flows (2) to the lift motor.
2. When current flows to the lift motor for lift-up motion, the motor drives to set the position of the front seat higher.

Slide operation (example: forward slide operation)
1. When the sliding switch is operated (1) forward, current from the battery flows (2) to the sliding motor.
2. When current flows to the sliding motor for forward motion, the motor drives to slide the front seat forward.

Front tilt operation (example: forward tilt up operation) (with 8 way power seat)
1. When the front tilt switch is operated (1) in the tilt-up direction, current from the battery flows (2) to the front tilt motor.
2. When current flows to the front tilt motor for tilt-up motion, the motor drives to set the position of the front part of the front seat cushion higher.

Lumber support operation (example: forward operation) (with 8 way power seat)
1. When the lumbar support switch is operated (1) forward, current from the battery flows (2) to the lumbar support motor.
2. When current flows to the lumbar support motor for forward motion, the motor drives to set the bulge amount of the abdominal area of the front seat back.

Fail-safe
Function not equipped.
Lumber Support Motor Removal/Installation
Rear Center Seat Belt Removal/InstallationFront Console Removal/Installation
CAUTION:
Affix protective tape to the position shown in the figure.
1. Disconnect the negative battery cable..
2. Remove the following parts:
a. Decoration panel.
b. Shift lever knob (MTX).
c. Front console box.
d. Shift panel.
e. Upper panel.
f. Rear console.
g. ...
Refrigerant Line Removal/Installation
1. Disconnect the negative battery cable..
2. Discharge the refrigerant..
3. Disconnect the engine ground.
4. Disconnect the refrigerant pressure sensor connector.
5. Remove in the order indicated in the table. Do not allow compressor oil to
spill.
CAUTION:
If moisture or for ...
Seat Track Position Sensor Removal/Installation [Two Step Deployment Control
System]
1. Switch the ignition to off.
2. Disconnect the negative battery cable and wait for 1min or more..
3. Remove the front driver’s seat..
4. Disconnect the connector from the seat track position sensor by pressing the
connector tab and pulling out the lock lever in the direction of the arro ...