Outline
The PCM reduces the oil pump load applied to the engine by controlling the appropriate engine hydraulic pressure according to the engine operation conditions.
The engine hydraulic pressure switches in two steps. When hydraulic pressure is not needed, the oil pump discharge amount is reduced by the operation of the engine oil solenoid valve.
Block Diagram

Operation
The PCM switches the engine oil pressure which lubricates the engine in two steps by driving the engine oil solenoid valve according to the engine operation conditions.

Output duty value determination
The PCM controls the operational voltage energized to the engine oil solenoid according to the duty signal. After opening the engine oil solenoid valve at the output duty ratio of 100%, load applied to the parts is reduced by lowering the duty value to the output duty value at which the open valve condition can be maintained. The output duty value for maintaining the opening value changes according to the battery voltage.

Engine oil solenoid valve operation conditions
The PCM operates the engine oil solenoid valve when all of the following conditions is met:
Engine speed: Less than 4,000 rpm
Engine coolant temperature: Less than 98 °C {208 °F}
Charging efficiency: Less than specification (varies according to engine speed.)
For details on the engine oil solenoid valve, refer to the LUBRICATION SYSTEM..
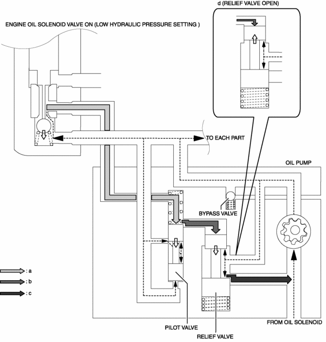
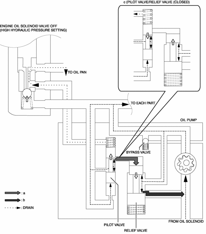
Hydraulic pressure switching mechanism
When the engine oil solenoid valve operates, the hydraulic circuit changes according to the following. The engine oil supply amount is controlled by changing the hydraulic circuit.
When the engine oil solenoid valve turns on, hydraulic pressure is also applied to the top of the pilot valve. The pilot valve presses downward by spring force because the hydraulic pressure applied to the top and bottom of the pilot valve is nearly equal.
Hydraulic pressure is applied to the top of the relief valve.
When the hydraulic pressure exceeds the relief valve opening pressure, the relief valve is pressed downward and engine oil flows out (Hydraulic pressure decrease).
When the hydraulic pressure is less than the relief valve opening pressure, the relief valve closes. As a result, engine oil outflow stops (Hydraulic pressure increase).
(c)-(d) is performed repeatedly to adjust the hydraulic pressure.

When the hydraulic pressure exceeds the pilot valve opening pressure, the pilot valve is pressed upward and hydraulic pressure is applied.
Because the hydraulic pressure exceeds the relief valve opening pressure by the hydraulic pressure applied to the top of the relief valve, the relief valve is pressed downward and engine oil flows out (Hydraulic pressure decrease).
When the hydraulic pressure is less than the pilot valve opening pressure, the pilot valve closes. As a result, the relief valve is closed and engine oil outflow stops (Hydraulic pressure increase).
(a)-(c) is performed repeatedly to adjust the hydraulic pressure.

Lubrication
Engine Oil Level InspectionElectric Variable Valve Timing Motor/Driver Removal/Installation
WARNING:
A hot engine can cause severe burns. Turn off the engine and wait until it
is cool before servicing.
CAUTION:
Applying excessive force (force of 100 N {10.2 kgf, 22.5 lbf} or more) to
the electric variable valve timing motor/driver may cause a malfunction. When
...
Liftgate Side Trim Removal/Installation
1. Remove the liftgate upper trim..
2. Remove the fastener A.
3. Take the shaded area shown in the figure, and pull the liftgate side trim
in the direction of the arrow (1) while detaching clips B.
4. Take the shaded area shown in the figure, detach tabs C while pulling the
liftgate si ...
Air Bag Module And Pre Tensioner Seat Belt Deployment Procedures [Standard Deployment
Control System]
WARNING:
A live (undeployed) air bag module or pre-tensioner seat belt may accidentally
operate (deploy) when it is disposed of and cause serious injury. Do not dispose
of a live (undeployed) air bag module or pre-tensioner seat belt. If the SSTs
(Deployment tool and Adapter harness ...