Outline
Refrigerant pressure sensor adopted in which refrigerant pressure is changed into a linear electric signal and precise information is transmitted.
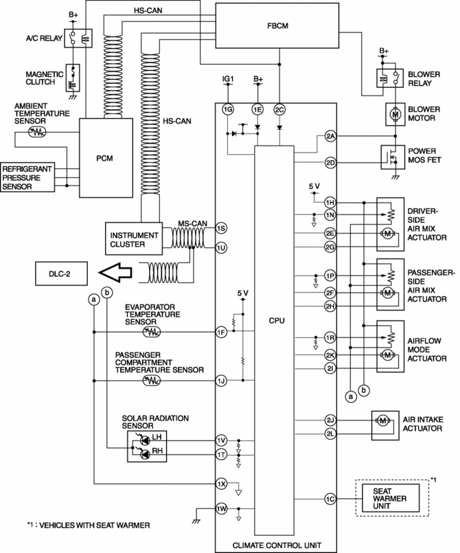
MS-CAN for communication between the instrument cluster and climate control unit adopted.
Climate control unit with enlarged operation dials and switches adopted.
A climate control unit with an integrated display panel has been adopted.
Structural View

System Wiring Diagram

 Condenser Removal/Installation
Condenser Removal/Installation Control System [Manual Air Conditioner]
Control System [Manual Air Conditioner]Warning/Indicator Lights
   
Warning (Display Indication)
Message information such as system operations or malfunctions is indicated in 
the display. Check the vehicle condition or have the vehicle inspected at an Authorized 
Mazda Dealer according to the indication.
Brake System Warning Light
This warning has th ...
   
Gear Position Indicator [Fw6 A EL, Fw6 Ax EL]
   Purpose/Function
	
	The gear position indicator illuminates while under manual shift control 
	and displays the gear number while driving.
	
Construction
	
	The gear position indicator is built into the instrument cluster.
	
	
	
Operation
	
	The TCM sends a gear position indic ...
   
Front Body Straight Line Dimensions (1) [Dimensions]
   
	
		
	
	
		
		Point symbol 
		
		
		Designation
		
		
		Hole diameter or bolt or nut size mm {in}
		
	
	
		
		A
		
		
		Cowl panel installation hole
		
		
		?5 {0.2}
		
	
	
		
		B
		
		
		Wiper bracket datum hole
		
		
		?7 {0.3}
		
	
	
		
		C
		
	 ...